米兰milan官方网站
  
  • 首页
  • 关于我们
    公司简介 企业文化 荣誉资质 生产环境
  • 产品中心
    光伏系列 储能系列 高低压设备系列
  • 新闻资讯
    公司动态 技术支持
  • 资料下载
    资料下载
  • 联系我们
    联系我们 在线留言
米兰milan官方网站
  • 首页
  • 关于我们
  • 产品中心
  • 新闻资讯
  • 资料下载
  • 联系我们
  • 中文
  • EN

产品中心

Products

  • 光伏系列

  • 储能系列

  • 高低压设备系列

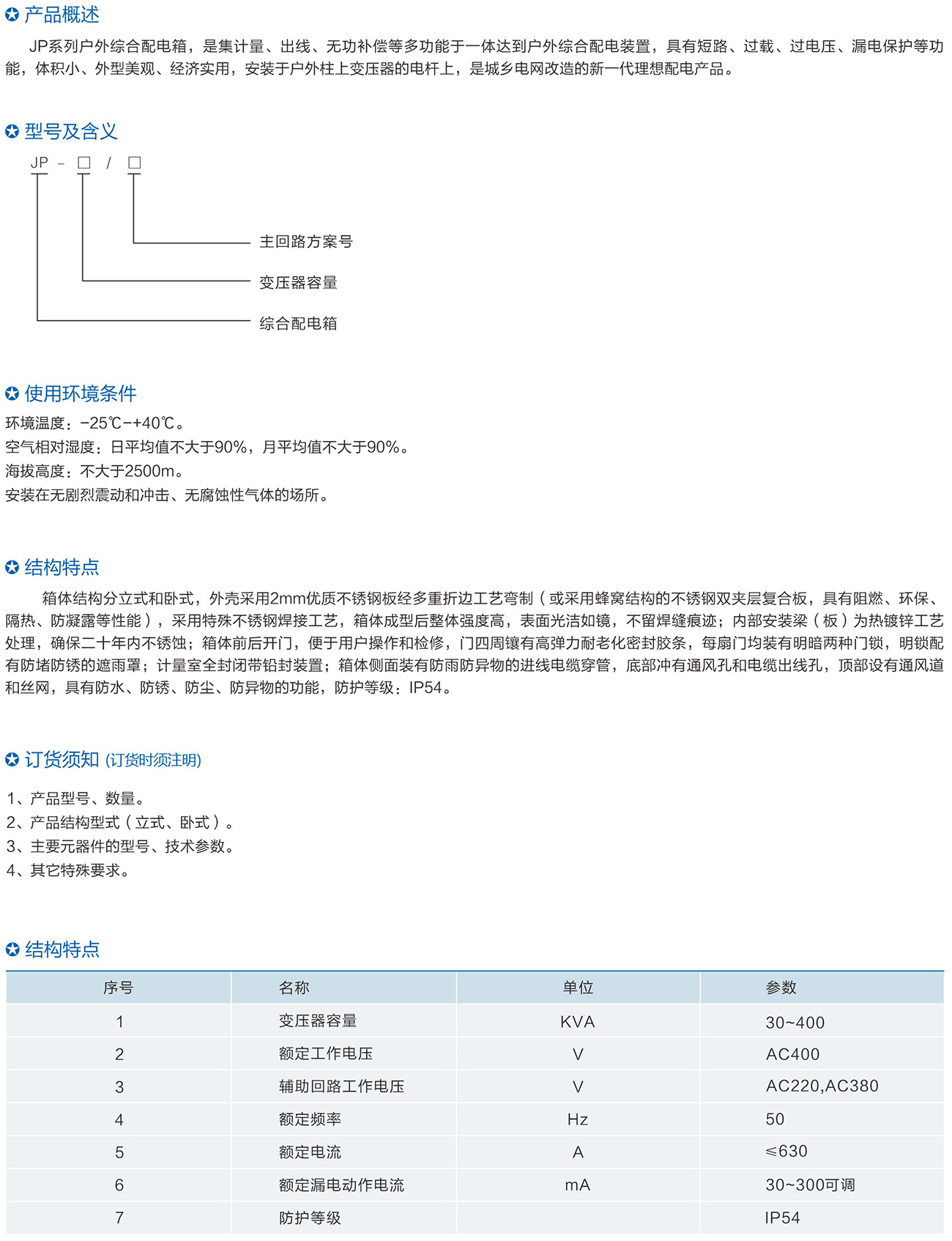
JP系列综合配电箱(补偿控制\终端\照明)

JP系列综合配电箱(补偿控制\终端\照明)


联系电话:400-800-8822
邮箱: 123456@163.com
上一个产品 下一个产品
  • 产品介绍
 
关于我们
米兰milan官方网站

以前沿技术制造优质产品;
以全球化视野持续创新发展;
以热情洋溢之心奉献于社会,与新时代共铸辉煌。

产品中心
  • 光伏系列
  • 储能系列
  • 高低压设备系列
联系我们

地址: 苏州市高新区88号

电话: 400-800-8822

手机: 13866668888

网址: http://www./

手机微官网
米兰milan官方网站
© 2023 米兰milan官方网站 All Rights Reserved.     苏ICP备18888888号-1